定量柱塞泵您當前的位置:首頁 》 產品中心 》 液壓泵 》 液壓柱塞泵 》 定量柱塞泵
點擊數:2059BFPD系列斜軸定量柱塞泵
BFPD柱塞泵具有以下優點: ● 默認設計 ● 更加經濟 ● 高轉速 ● 高輸出壓力 ● 低噪音 ● 原始材料的特殊鑄鐵外殼 ● 旋轉方向改變標準 | ![]() |
BFPD系列斜軸柱塞泵,采用40度斜軸設計,排量17cc-105cc,最高壓力可達400bar。具體參數及尺寸如下:
規格 | 17 | 25 | 35 | 45 | 55 | 65 | 85 | 105 | |
排量 | CC | 17 | 25.4 | 35.2 | 45.4 | 55 | 65.2 | 85 | 105.4 |
最大速度 | 連續 | 2300 | 2300 | 2300 | 2000 | 1900 | 1900 | 1500 | 1500 |
極限 | 3000 | 2900 | 2900 | 2500 | 2500 | 2500 | 2000 | 2000 | |
最大連續壓力 | Bar | 350 | 350 | 350 | 350 | 350 | 350 | 350 | 350 |
最大峰值壓力 | Bar | 400 | 400 | 400 | 400 | 400 | 400 | 400 | 400 |
350bar最大扭矩 | Nm | 71 | 146 | 190 | 240 | 292 | 360 | 460 | 620 |
重量 | 帶輸入接頭 | 8 | 9 | 13 | 14 | 15 | 15 | 17.5 | 18 |
不帶接頭 | 8.35 | 9.35 | 13.4 | 14.4 | 15.4 | 15.4 | 17.9 | 18.5 | |
旋轉方向 | 左旋(CCW)或右旋(CW) | ||||||||
適用流體 | 礦物質液壓油 | ||||||||
輸入端口 | R1 1/4” | R1 1/4” | R1 1/4” | R1 1/4” | R1 1/4” | R1 1/4” | R1 1/2” | R1 1/2” | |
輸出 端口 | R3/4” | R3/4” | R3/4” | R3/4” | R3/4” | R3/4” | R1” | R1” | |
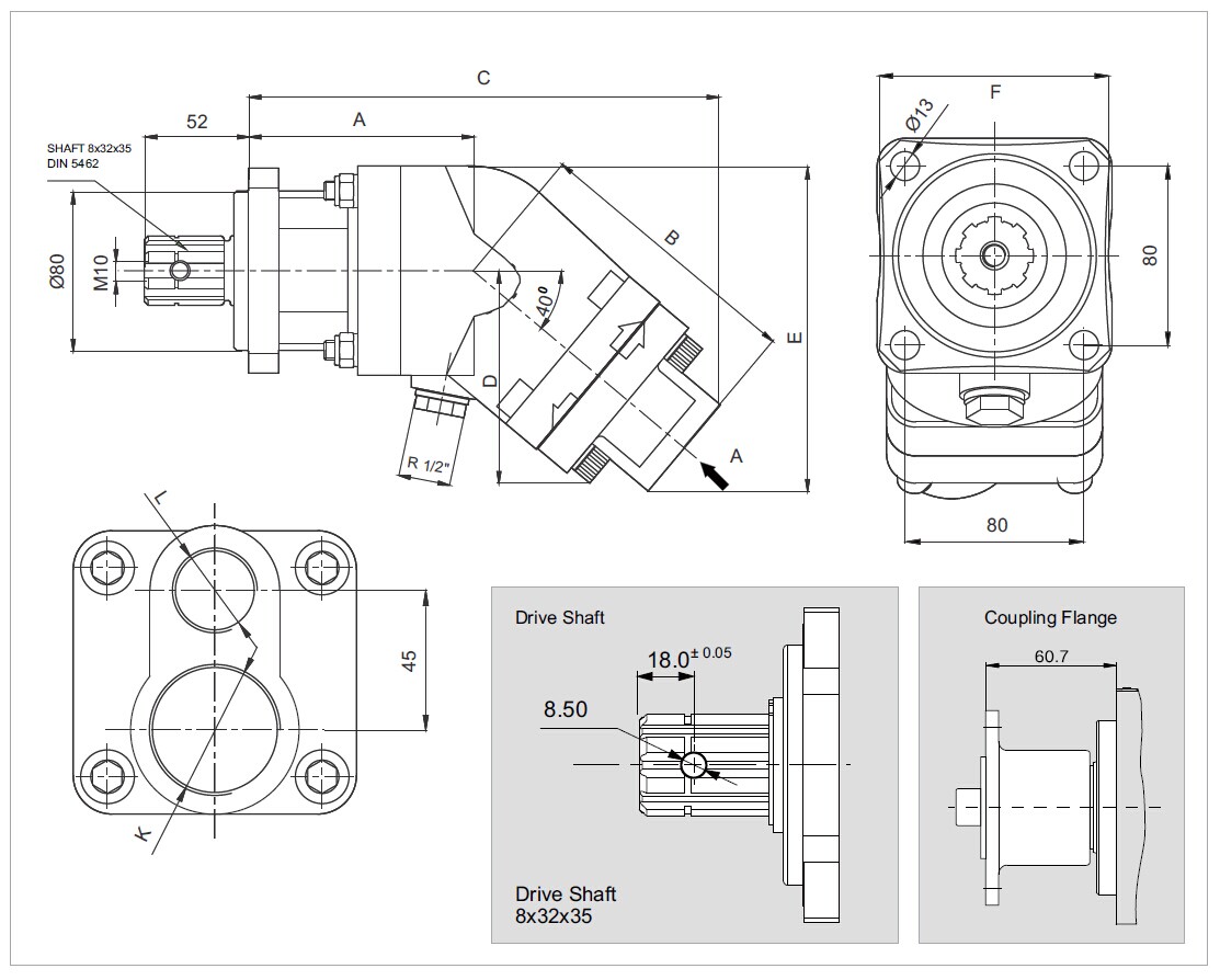
尺寸圖:

| 規格 | 17 | 25 | 35 | 45 | 55 | 65 | 85 | 105 |
| 排量(CC) | 17 | 25.4 | 35.2 | 45.4 | 55 | 65.2 | 85 | 105.4 |
| A | 90 | 95 | 110 | 110 | 113 | 113 | 125 | 125 |
| B | 120 | 120 | 135 | 135 | 150 | 150 | 160 | 160 |
| C | 220 | 220 | 235 | 235 | 251 | 251 | 295 | 295 |
| D | 90 | 90 | 105 | 105 | 115 | 115 | 128 | 128 |
| E | 140 | 140 | 160 | 160 | 160 | 160 | 190 | 190 |
| F | 80 | 80 | 100 | 100 | 108 | 108 | 115 | 115 |
| K | R1 1/4" | R1 1/4" | R1 1/4" | R1 1/4" | R1 1/4" | R1 1/4" | R1 1/2" | R1 1/2" |
| L | R3/4" | R3/4" | R3/4" | R3/4" | R3/4" | R3/4" | R1" | R1" |
訂貨命名規則:
| BFPD | 105 | R | C | N | A |
| 1 | 2 | 3 | 4 | 5 | 6 |
1:BFPD 系列斜軸定量柱塞泵 2:排量規格。17、25、35、45、55、65、85、105 3:旋轉方向: R : 右旋(CW);L:左旋(CCW) 4:版本。 C:經典版 5 : 密封材料:N:丁晴橡膠;V:氟橡膠 6:是否帶吸油接頭,請參看附件。A:帶吸油接頭;O:不帶吸油接頭。
| |||||







