定量柱塞泵您當前的位置:首頁 》 產品中心 》 液壓泵 》 液壓柱塞泵 》 定量柱塞泵
點擊數:2145BFPC系列斜軸柱塞泵
BFPC柱塞泵具有以下優點:
● 經湊的設計 ● 更加經濟 ● 高功率密度 ● 綜合效率高 ● 高轉速 ● 高輸出壓力 ● 低噪音 ● 更高的可靠性 ● 不需要接泄漏管 ● 更小的安裝尺寸 ● 旋轉方向改變簡單 | ![]() |
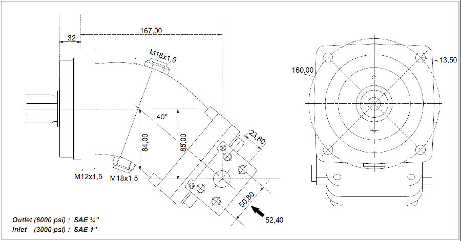
BFPC系列斜軸柱塞泵,采用40度斜軸設計,排量12cc-108cc,最高壓力可達450bar,ISO法蘭連接,花鍵8×32×36 DIN ISO 14-NF。具體參數及尺寸如下:
規格 | 12 | 18 | 25 | 32 | 40 | 50 | 56 | 63 | 80 | 108 | |
排量 | CC | 12 | 18 | 25 | 32 | 40.2 | 50 | 56.4 | 63 | 80 | 108.4 |
最大速度 | 連續 | 3100 | 3100 | 2500 | 2500 | 2300 | 2300 | 2300 | 2300 | 2300 | 2000 |
最大連續壓力 | Bar | 400 | 400 | 400 | 400 | 400 | 400 | 400 | 400 | 400 | 400 |
最大峰值壓力 | Bar | 450 | 450 | 450 | 450 | 450 | 450 | 450 | 450 | 450 | 450 |
350bar最大扭矩 | Nm | 66 | 98 | 141 | 174 | 225 | 280 | 320 | 350 | 445 | 600 |
重量 | 帶附件 | 6 | 6 | 11.5 | 11.5 | 11.5 | 17.5 | 18 | 18 | 22 | 22.5 |
不帶附件 | 6.2 | 6.2 | 11.8 | 11.9 | 11.9 | 18 | 18.5 | 18.5 | 22.5 | 23 | |
旋轉方向 | 左旋(CCW)或右旋(CW) | ||||||||||
適用流體 | 礦物質液壓油 | ||||||||||
最低溫度℃ | -25 | -25 | -25 | -25 | -25 | -25 | -25 | -25 | -25 | -25 | |
最高溫度℃ | 110 | 110 | 110 | 110 | 110 | 110 | 110 | 110 | 110 | 110 | |
最大流量 L/min | 37.2 | 55.8 | 62.5 | 80 | 92.46 | 115 | 129.7 | 144.9 | 184 | 216 | |
具體型號的尺寸聯系上海迪非機電科技有限公司的銷售部門:


訂貨命名規則:
| BFPC | 108 | R | S | N | A |
| 1 | 2 | 3 | 4 | 5 | 6 |
1:BFPC 系列斜軸定量柱塞泵 ISO 2:排量規格。12、18、25、32、40、50、56、63、80、108 3:驅動軸 4:A :ISO3019-2, 4孔 5 : 輸入&輸出端口。 11:螺紋; 12:SAE 6:旋轉方向: R : 右旋(CW);L:左旋(CCW) 7:S:標準(丁晴橡膠);H:高壓;V:氟橡膠
| |||||







