定量柱塞泵您當前的位置:首頁 》 產品中心 》 液壓泵 》 液壓柱塞泵 》 定量柱塞泵
點擊數:2078BFPB系列斜軸柱塞泵
BFPB柱塞泵具有以下優點:
● 經湊的設計 ● 更加經濟 ● 高功率密度 ● 綜合效率高 ● 高轉速 ● 高輸出壓力 ● 低噪音 ● 更高的可靠性 ● 不需要接泄漏管 ● 更小的安裝尺寸 ● 旋轉方向改變簡單
| ![]() |
BFPB系列斜軸柱塞泵,采用40度斜軸設計,排量12cc-108cc,最高壓力可達400bar,SAE法蘭連接。具體參數及尺寸如下:
規格 | 12 | 18 | 25 | 32 | 40 | 50 | 56 | 63 | 80 | 108 | |
排量 | CC | 12 | 18 | 25 | 32 | 40.2 | 50 | 56.4 | 63 | 80 | 108.4 |
最大速度 | 連續 | 2300 | 2300 | 2300 | 2250 | 1900 | 1900 | 1900 | 1900 | 1700 | 1700 |
極限 | 3100 | 2900 | 2700 | 2700 | 2500 | 2500 | 2300 | 2300 | 2100 | 1900 | |
最大連續壓力 | Bar | 350 | 350 | 350 | 350 | 350 | 350 | 350 | 350 | 350 | 350 |
最大峰值壓力 | Bar | 400 | 400 | 400 | 400 | 400 | 400 | 400 | 400 | 400 | 400 |
350bar最大扭矩 | Nm | 71 | 105 | 146 | 190 | 240 | 292 | 330 | 360 | 460 | 620 |
重量 | 帶輸入接頭 | 10 | 10 | 10.5 | 11.5 | 11.5 | 12 | 12.5 | 12.5 | 16 | 16.5 |
不帶輸入接頭 | 10.4 | 10.4 | 10.9 | 11.9 | 11.9 | 12.4 | 12.9 | 12.9 | 16.4 | 16.9 | |
旋轉方向 | 左旋(CCW)或右旋(CW) | ||||||||||
適用流體 | 礦物質液壓油 | ||||||||||
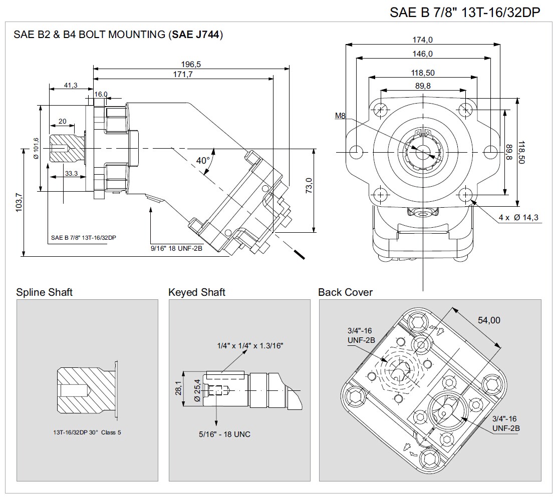
尺寸圖(具體規格的尺寸請聯系上海迪非機電科技有限公司銷售部門):

訂貨命名規則:
| BFPB | 108 | R | S | N | A |
| 1 | 2 | 3 | 4 | 5 | 6 |
1:BFPB系列斜軸定量柱塞泵 2:規格尺寸。12、18、25、32、40、50、56、63、80、108 3:旋轉方向:R:右旋;L:左旋。 4:版本。S:特殊版本(B2:SAE 2孔安裝;B4:SAE 4孔安裝);C:經典版本(6孔安裝) 5:密封材料。N:丁晴橡膠(標準);V:氟橡膠 6:是否帶吸油接頭,請參看附件。A:帶吸油接頭;缺省:不帶吸油接頭
| |||||







