定量柱塞泵您當前的位置:首頁 》 產品中心 》 液壓泵 》 液壓柱塞泵 》 定量柱塞泵
點擊數:2173BFPA斜軸定量柱塞泵
| ![]() |
2PBA系列斜軸柱塞泵,采用40度斜軸設計,排量12cc-108cc,最高壓力可達400bar,ISO法蘭連接,花鍵8×32×36 DIN ISO 14-NF。具體參數及尺寸如下:
規格 | 12 | 18 | 25 | 32 | 40 | 50 | 56 | 63 | 80 | 108 | |
排量 | CC | 12 | 18 | 25 | 32 | 40.2 | 50 | 56.4 | 63 | 80 | 108.4 |
最大速度 | 連續 | 2300 | 2300 | 2300 | 2250 | 1900 | 1900 | 1900 | 1900 | 1700 | 1700 |
極限 | 3100 | 2900 | 2700 | 2700 | 2500 | 2500 | 2300 | 2300 | 2100 | 1900 | |
最大連續壓力 | Bar | 350 | 350 | 350 | 350 | 350 | 350 | 350 | 350 | 350 | 350 |
最大峰值壓力 | Bar | 400 | 400 | 400 | 400 | 400 | 400 | 400 | 400 | 400 | 400 |
350bar最大扭矩 | Nm | 71 | 105 | 146 | 190 | 240 | 292 | 330 | 360 | 460 | 620 |
重量 | 帶輸入接頭 | 9 | 9 | 9.5 | 10.5 | 10.5 | 11 | 11.5 | 11.5 | 15 | 15.5 |
不帶輸入接頭 | 9.4 | 9.4 | 9.9 | 10.9 | 10.9 | 11.4 | 11.9 | 11.9 | 15.4 | 15.9 | |
旋轉方向 | 左旋(CCW)或右旋(CW) | ||||||||||
適用流體 | 礦物質液壓油 | ||||||||||
輸入&輸出 | 3/4” | 3/4” | 3/4” | 3/4” | 3/4” | 3/4” | 3/4” | 3/4” | 1” | 1” | |
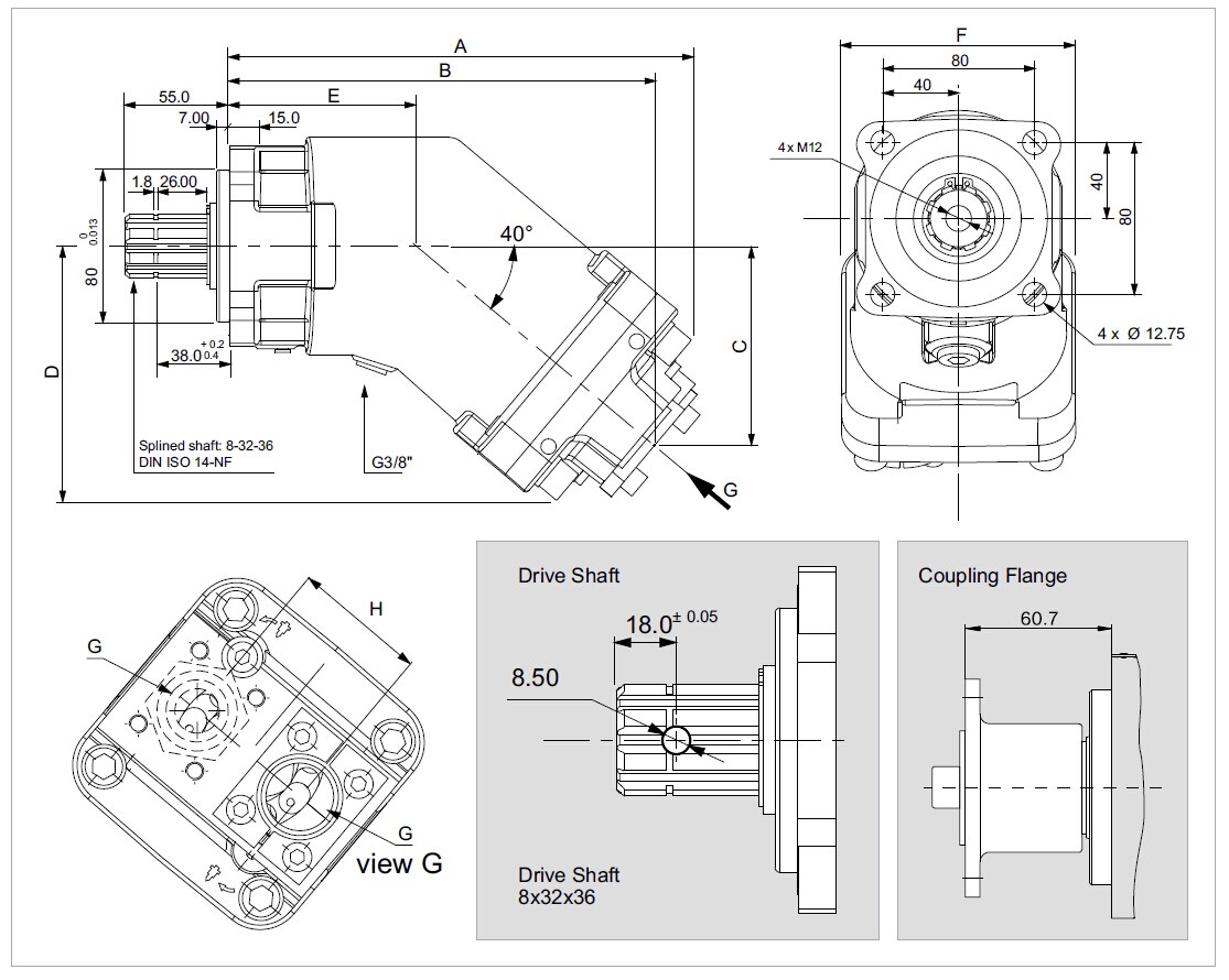
尺寸圖:

| 規格 | 12 | 18 | 25 | 32 | 40 | 50 | 56 | 63 | 80 | 108 |
| 排量(CC) | 12 | 18 | 25 | 32 | 40.2 | 50 | 56.4 | 63 | 80 | 108.4 |
| A | 195 | 195 | 195 | 202 | 202 | 215 | 215 | 215 | 242 | 242 |
| B | 176 | 176 | 176 | 183 | 183 | 196 | 196 | 196 | 221 | 223 |
| C | 76 | 76 | 76 | 82 | 82 | 94 | 94 | 94 | 104 | 105 |
| D | 104 | 104 | 104 | 108 | 108 | 118 | 118 | 118 | 132 | 132 |
| E | 86 | 86 | 86 | 86 | 86 | 86 | 86 | 86 | 98 | 98 |
| F | 108 | 108 | 108 | 108 | 108 | 108 | 108 | 108 | 122 | 122 |
| G | 3/4" | 3/4" | 3/4" | 3/4" | 3/4" | 3/4" | 3/4" | 3/4" | 1" | 1" |
| H | 54 | 54 | 54 | 54 | 54 | 54 | 54 | 54 | 60 | 60 |
訂貨命名規則:
| BFPA | 108 | R | S | N | A |
| 1 | 2 | 3 | 4 | 5 | 6 |
1:BFPA系列斜軸定量柱塞泵 2:規格尺寸。12、18、25、32、40、50、56、63、80、108 3:旋轉方向:R:右旋;L:左旋。 4:版本。S:特殊版本;C:經典版本(4孔安裝) 5:密封材料。N:丁晴橡膠(標準);V:氟橡膠 6:是否帶吸油接頭,請參看附件。A:帶吸油接頭;缺省:不帶吸油接頭
| |||||







