單作用油缸手動泵站您當前的位置:首頁 》 產品中心 》 液壓手動泵 》 GL系列 手動泵 》 單作用油缸手動泵站
點擊數:2298GL146-ALN-SC 液壓手動泵站| hydraulic hand pump power packing
GL146-ALN-SC 液壓手動泵站| hydraulic hand pump power packing
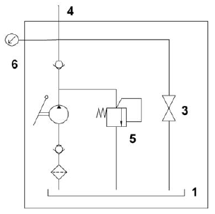
GL146-ALN-SC雙作用液壓手動泵站由意大利OLEODINAMICA GASPARINI s.r.l. 公司生產,在國內通過漢莎鄧普(HansaTMP)和海倫(Heron)公司銷售他們的產品。GL146-ALN-SC系列的手動泵站用于操作單作用液壓油缸。該手動泵站配有卸荷閥和溢流閥,可選配壓力表,廣泛應用于船舶、甲板機械,工程機械,鐵路工程機械,液壓系統,車輛工程,登高平臺等各種行業。
圖片 | 原理圖 | 型號 | 最大壓力(bar) | 排量(毫升/次) |
| ![]() | GL146-ALN-SC | 150 | 12.5 |








